- 智能型断路器系列
- 万能式断路器
- 塑壳断路器
- 漏电断路器
- 小型断路器
- 交流接触器
- 热继电器、中间继电器
- 双电源开关系列
- 火灾监控系列
- 刀开关、隔离开关
- 控制按钮、信号灯、电铃、电笛
- 电能表、仪器仪表
- DD862系列单相机电式有功电能表
- DT862、DS862系列三相机电式电能表
- DDS8666系列单相电子式有功电能表
- DTS8666DSS8666系列电子式三相电能表
- DDSY8666系列单相电子式预付费电能表
- DTSY8666、DSSY8666系列三相电子式预付费电能表
- DDSF8666系列单相电子式多费率电能表7
- DTSF8666、DSSF8666系列三相电子式多费率电能表8
- DTSD8666、DSSD8666系列三相电子式多功能电能表9
- DTSD8666、DSSD8666系列三相电子式(简易型)多功能电能表10
- 85L1、85C1系列电流、电压表
- 85L17、85C17系列电流、电压表
- 69L9、69C9系列电流表电压表
- 44L1、44C2系列电表
- 59L1、59C2系列电表
- 42L6、42C3系列电表
- 6L2、6C2系列电表1适
- 变频器、软启动器、起动器、调速器
- 变压器
- 互感器
- LMZ1-0.5型电流互感器
- LMZJ1-0.5型电流互感器
- LM-0.5型电流互感器
- LMZ1-0.66
- LMZJ1-0.66型电流互感器
- BH、SDH、MK1-0.66型电流互感器
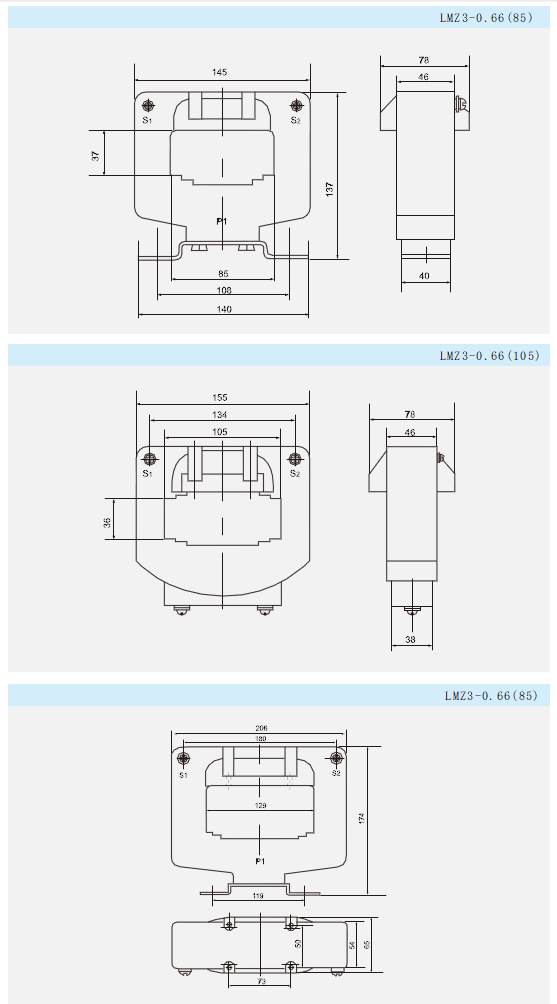
- LMZ3-0.66型电流互感器
- LA-10、LA-10Q型电流互感器
- LAJ-10Q型电流互感器
- LFS-10Q型电流互感器
- LFSQ-10型电流互感器
- LAZBJ-10Q型电流互感器
- LQJ-10Q型电流互感器
- LQZBJ-10Q型电流互感器
- LZJC-10Q型电流互感器
- LDJ1-10Q型电流互感器
- LDJ-10型电流互感器
- LZZJ-10型电流互感器
- LZZBJ-10型电流互感器
- LZZB6-10、LZZQB6-10型电流互感器
- LZZBJ9-10型电流互感器
- 高压开关系列
- 成套设备
- 控制与保护开关系列
- 小型漏电断路器
中文版
ENGLISH
























打印当前页
将此页放入收藏夹
发邮件给我们:chko@chko.cn










开云足球登录_开云(中国)客服1